| Model | JZJ06C-144 | |
|---|---|---|
| Ilość osi | 6 | |
| Ładowność nominalna | 6 kg | |
| Zakresy ruchu osi w stopniach | ||
| 1 oś | ±140° | |
| 2 oś | -90° +60° | |
| 3 oś | -60° +90° | |
| 4 oś | ±180° | |
| 5 oś | -90° +115° | |
| 6 oś | ±360° | |
| Prędkości osi w stopniach na sekundę | ||
| 1 oś | 185 | |
| 2 oś | 185 | |
| 3 oś | 280 | |
| 4 oś | 240 | |
| 5 oś | 250 | |
| 6 oś | 750 | |
| Powtarzalność pozycjonowania | ±0.05mm | |
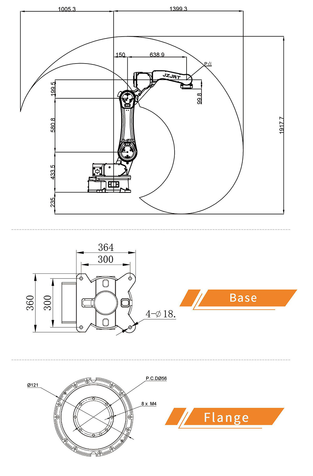
| Wysięg | 1399mm | |
| Masa ramienia | 170kg | |
| Moc zainstalowana | 2.3kVA | |
| Model | JZJ06C-160 | |
|---|---|---|
| Ilość osi | 6 | |
| Ładowność nominalna | 6 kg | |
| Zakresy ruchu osi w stopniach | ||
| 1 oś | ±140° | |
| 2 oś | -90° +60° | |
| 3 oś | -60° +90° | |
| 4 oś | ±180° | |
| 5 oś | -90° +115° | |
| 6 oś | ±360° | |
| Prędkości osi w stopniach na sekundę | ||
| 1 oś | 185 | |
| 2 oś | 185 | |
| 3 oś | 185 | |
| 4 oś | 320 | |
| 5 oś | 480 | |
| 6 oś | 500 | |
| Powtarzalność pozycjonowania | ±0.08mm | |
| Wysięg | 1622mm | |
| Masa ramienia | 176kg | |
| Moc zainstalowana | 2.5kVA | |
| Model | JZJ06C-180 | |
|---|---|---|
| Ilość osi | 6 | |
| Ładowność nominalna | 6 kg | |
| Zakresy ruchu osi w stopniach | ||
| 1 oś | ±140° | |
| 2 oś | -90° +60° | |
| 3 oś | ±80° | |
| 4 oś | ±180° | |
| 5 oś | ±110° | |
| 6 oś | ±360° | |
| Prędkości osi w stopniach na sekundę | ||
| 1 oś | 185 | |
| 2 oś | 185 | |
| 3 oś | 185 | |
| 4 oś | 320 | |
| 5 oś | 300 | |
| 6 oś | 310 | |
| Powtarzalność pozycjonowania | ±0.05mm | |
| Wysięg | 1649mm | |
| Masa ramienia | 310kg | |
| Moc zainstalowana | 4.5kVA | |
| Model | JZJ06C-200 | |
|---|---|---|
| Ilość osi | 6 | |
| Ładowność nominalna | 6 kg | |
| Zakresy ruchu osi w stopniach | ||
| 1 oś | ±145° | |
| 2 oś | -90° +60° | |
| 3 oś | -60° +90° | |
| 4 oś | ±180° | |
| 5 oś | -90° +115° | |
| 6 oś | ±360° | |
| Prędkości osi w stopniach na sekundę | ||
| 1 oś | 222 | |
| 2 oś | 296 | |
| 3 oś | 300 | |
| 4 oś | 260 | |
| 5 oś | 780 | |
| 6 oś | 222 | |
| Powtarzalność pozycjonowania | ±0.05mm | |
| Wysięg | 1884mm | |
| Masa ramienia | 330kg | |
| Moc zainstalowana | 4.5kVA | |